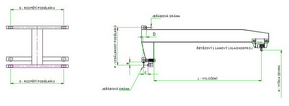
Konzolové jeřáby
Jsou vhodným řešením pro manipulaci s břemeny zejména ve výrobních či montážních prostorech, kde jsou pracoviště uspořádána podél stěn výrobních hal.

Nosnost: 125 kg až 5 t, vyložení do 7 m.
Výhody: ekonomické řešení do prostor s potřebou manipulace podél stěn hal.
Nevýhody: požadavek na zbudování jeřábové dráhy, omezení vyložením a nosností, větší zatížení svislých nosných konstrukcí haly.